车载|动力传动|液压电磁阀
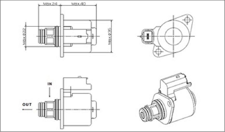
柴油发送机用油压电磁阀
经营本产品的公司名:尼得科动力系统株式会社
产品数据
基本信息
| SOL形式 | 2通线性流量控制阀 (常开型) |
|---|---|
| 尺寸 | 电磁部; φ35×40, 调压部; φ22×24 |
| 使用环境 | 空气中(发动机舱内) |
| 使用油种 | 柴油 |
| 油温范围 | -30 – 145℃ |
| 电压范围 | 9 – 16V(额定10.5V) |
| 电流范围 | 0 – 1.3A |
| 线圈电阻 | 5.3Ω at 20℃ |
| 插座 | 2极 |
| 供给油压 |
|---|
| 输出流量 | 0 - 2.2L/min at Δ50kPa |
|---|---|
| 泄漏量 | Max 0.003L/min at 600kPa |

