小型・精密モータ|ブラシレスDCモータ|モータ
CMC_24Hシリーズ
取扱い会社名:ニデック株式会社
長寿命・高効率を実現。
現在家電、自動車、OA機器等に使用されておりますブラシ付きモータやステッピングモータとの置き換えが可能で、従来型モータの欠点であった、電磁波ノイズ問題、短寿命、振動騒音が大きいエネルギー効率が悪いといった問題点を全てクリアする高性能でありながら、低コストを実現しています。
- 特徴:
- 低騒音,低振動,省エネ,長寿命,安定性,環境性能,RoHs対応
- この製品に関するお問い合わせ
- お問い合わせ先
製品データ
基本情報
| 電源種別 | DC |
|---|---|
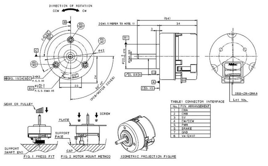
| サイズ | φ42 |
| L寸 | 34 mm~ |
| 動作温度 | 0~50 ℃ |
| 質量 | 110~110 g |
| 取扱い会社名 | ニデック株式会社 |
| 動作電圧 | 22.8~25.2 V |
|---|---|
| 動作電流 | ~0.7 A |
| 出力 | ~11 W |
|---|---|
| トルク | ~25 mN・m |
| 停動トルク | 70~ mN・m |
| 回転速度 | 3800~4600 min-1 |
| 無負荷回転速度 | 5200~6400 min-1 |
| 瞬時最大トルク | 70~ mN・m |
| 瞬時最大時許容回転数 | 5800~5800 min-1 |
図面


特性グラフ
Maximum noise: 50 max, bearing: sleeve bearing