Small-size and precision motors|Fans & Blowers|DC axial fan
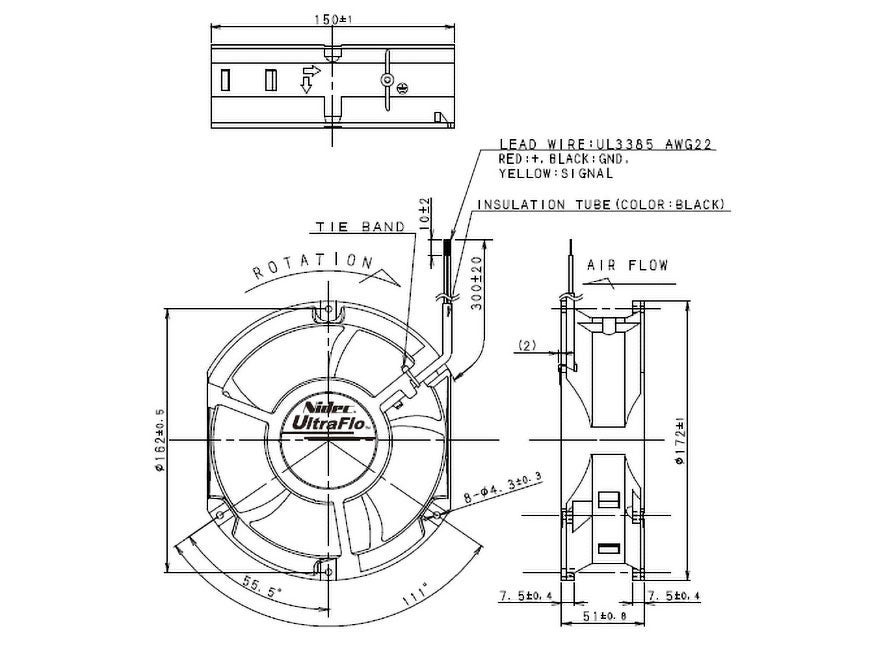
X17L-M5
companies handling the product:Nidec Corporation
High-functionality fan UltraFlo series (172 diam. x 150 x 51 mm)
A direct-current drive operated, high value-added fan motor that uses bearings and wing structures that we have developed independently. The ball bearing type used in ball bearings introduces a ball between the rotor axis and the stator, providing smooth rotation, and thus has the characteristic of not generating extra heat in the rotor and stator. The service life of fan motors is dependent on deterioration caused by increased temperatures, and bearings using ball bearings are considered to provide long service life. Please contact us for details.
- characteristics:
- Low noise,Low vibration,Energy saving,Long life,Stability,Enviromental performance,quietness,RoHs support
- Contact information for product inquiry
- Contact us
Product data
Basic information
| sort by power source type | DC |
|---|---|
| Size | W150×H172 mm |
| Size | φ5.906 |
| Length | 51 mm |
| Length | 2.008 mm |
| Operation temperature | -10~70 ℃ |
| Lifespan | 70000 |
| Mass | 830~830 ℃ |
| Bearing | Ball bearing |
| Companies handling the product | NIDEC CORPORATION |
| rated voltage | 12~27.6 V |
|---|---|
| Operating current | 2.2~2.2 A |
| Rated input | 52.8~52.8 W |
| Rated speed | 5300~5300 min-1 |
|---|---|
| Maximum air flow (m3/min) | 9.85~9.85 m3/min |
| Maximum air flow (CFM) | 348~348 CFM |
| Maximum static pressure(Pa) | 455~455 Pa |
| Maximum static pressure(inchH2O) | 1.83~1.83 inchH2O |
| Sound pressure(dB[A]) | 66~66 dB[A] |

