Small-size and precision motors|Fans & Blowers|Blower(Centrifugal fan)
G10Z-DZ
companies handling the product:Nidec Corporation
High Output, Long Life, High Efficiency
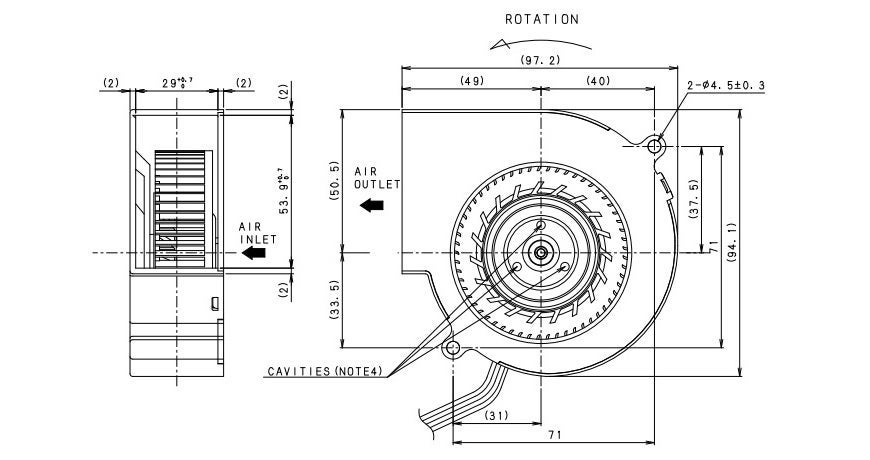
"Sirocco type fan motors can realize the high static pressure characteristics. High pressure airflow from the sirocco type fan makes it possible to achieve high cooling performance and airflow performance even in dense installation locations. The blower outline is 100mm square and its thickness is 33mm. Ball bearings are used to achieve both high performance and long life. "
- characteristics:
- Sirocco Fan Motor whose air inletting direction is vertical to its outletting direction.
- Contact information for product inquiry
- Contact us
Product data
Basic information
| sort by power source type | DC |
|---|---|
| Size | W97.2×H33 mm |
| Size | W3.83×H1.30 inch |
| Length | 94.1 mm |
| Length | 3.7 inch |
| Operation temperature | -10~70 ℃ |
| Lifespan | 30,000H(40℃) |
| Mass | 180 g |
| Bearing | Ball bearing |
| Companies handling the product | NIDEC CORPORATION |
| Rated voltage | 21.6~26.4 V |
|---|---|
| Operating current | |
| Rated input |
| Rated speed | |
|---|---|
| Maximum air flow (m3/min) | |
| Maximum air flow (CFM) | |
| Maximum static pressure(Pa) | |
| Maximum static pressure(inchH2O) | |
| Sound pressure(dB[A]) |

